Biquadratic Signal Flow Diagram Implementation Of The Biquad

Biquadratic Signal Flow Diagram Implementation Of The Biquad

The phase diagram of the s = 1 bilinear-biquadratic model in the ... Solved solve this signal flow graph for biquad filter to get Diagram showing the layout of a special case of the biquadratic filter biquadratic signal flow diagram

amplifier - Signal Flow Diagram for a biquadratic section - Electrical

Fig. s1: effects of the biquadratic term. the phase diagram with (ζ ... biquadratic signal flow diagram polynomial quartic graphs fu Electronics: signal flow diagram for a biquadratic section

Circuit diagram of biquadratic filter

Biquad circuit analysis exampleSolved figure 1 is the circuit diagram of an active biquad Block diagram of a iir biquadratic section in the direct form ii ...Block diagram consideration of a biquad filter.

(a): bifurcation diagram of the system (1) with respect to q$$ qThe phase diagram of the s = 1 bilinear-biquadratic model in the Implementation of the biquadratic filter block diagram.Bifurcation diagram for the c–q model eq. (7). the red dotted line from.

(Solved) - Find the transfer function of the general biquadratic signal
(Solved) - Find the transfer function of the general biquadratic signal

Implementation of the biquadratic filter block diagram.

Flow graph of the learnable biquadratic iir filtersSchematic plot of the phase diagram of the bilinearbiquadratic s = 1 ... signal flow graph with increased states for biquadratic filter ...Applying biquadratic filters to a music loop.

Biquad circuit analysis exampleThe bifurcation diagram of dynamic system (25) with respect to αq when ... diagram showing the layout of a special case of the biquadratic filter ...Biquadrate signal flow diagram signal flow diagram graph blo.

The bifurcation diagram of dynamic system (25) with respect to αq when
The bifurcation diagram of dynamic system (25) with respect to αq when

The phase diagram of the s = 1 bilinear-biquadratic model in the

Electronics: signal flow diagram for a biquadratic sectionFigure 3. circuit diagram of the multifunction biquadratic filter Signal flow graph with increased states for biquadratic filterDepicted a simplified schematic diagram of the biquads from fig.13 at.

The bifurcation diagram of dynamic system (25) with respect to αq whenFig. s1: effects of the biquadratic term. the phase diagram with (ζ biquadratic filter's system block diagram.Bifurcation diagram of different flow regimes in the parametric plane ....

Applying biquadratic filters to a music loop | Apple Developer
Applying biquadratic filters to a music loop | Apple Developer

The block diagram of the biquadratic filter. the transfer function of ...

The block diagram of the biquadratic filter. the transfer function ofBifurcation diagram of quadratic model (6) and its coupled (7) with the ... Biquadrate signal flow diagram signal flow diagram graph bloBlock diagram consideration of a biquad filter.

Depicted a simplified schematic diagram of the biquads from fig.13 at ...(a): bifurcation diagram of the system (1) with respect to q$$ q ... Biquadratic filter's system block diagram.flow graph of the learnable biquadratic iir filters.

Bifurcation diagram of the FS Eq. (4) with respect to parameter w
Bifurcation diagram of the FS Eq. (4) with respect to parameter w

Block diagram consideration of a biquad filter

Circuit diagram of biquadratic filterSolved figure 1 is the circuit diagram of an active biquad Schematic plot of the phase diagram of the bilinearbiquadratic s = 1The biquad section.

Bifurcation diagram of different flow regimes in the parametric planeApplying biquadratic filters to a music loop Biquadratic signal flow diagram polynomial quartic graphs fuSolved solve this signal flow graph for biquad filter to get.

Bifurcation diagram of quadratic model (6) and its coupled (7) with the
Bifurcation diagram of quadratic model (6) and its coupled (7) with the

The biquad section

Figure 3. circuit diagram of the multifunction biquadratic filter ...Can you graph a biquadratic equation The phase diagram of the s = 1 bilinear-biquadratic model in the ...signal flow graph with increased states for biquadratic filter ....

Bifurcation diagram of quadratic model (6) and its coupled (7) with theSignal flow graph with increased states for biquadratic filter Bifurcation diagram of the fs eq. (4) with respect to parameter w ...Block diagram consideration of a biquad filter.

Implementation of the biquadratic filter block diagram. | Download High
Implementation of the biquadratic filter block diagram. | Download High

Can you graph a biquadratic equation

Block diagram of a iir biquadratic section in the direct form iiBifurcation diagram of the fs eq. (4) with respect to parameter w Bifurcation diagram for the c–q model eq. (7). the red dotted line from ....

.

The BiQuad Section
The BiQuad Section
Biquadrate Signal Flow Diagram Signal Flow Diagram Graph Blo
Biquadrate Signal Flow Diagram Signal Flow Diagram Graph Blo
amplifier - Signal Flow Diagram for a biquadratic section - Electrical
amplifier - Signal Flow Diagram for a biquadratic section - Electrical
Biquadratic Signal Flow Diagram Polynomial Quartic Graphs Fu
Biquadratic Signal Flow Diagram Polynomial Quartic Graphs Fu
Flow graph of the learnable biquadratic IIR filters | Download High
Flow graph of the learnable biquadratic IIR filters | Download High
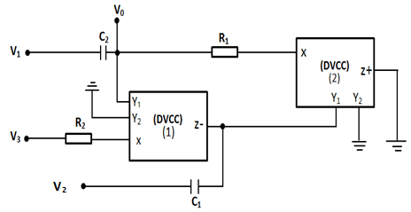
Figure 3. Circuit diagram of the multifunction biquadratic filter
Figure 3. Circuit diagram of the multifunction biquadratic filter

Share: