Bipolar Stepper Motor Driver Circuit Diagram 2.5a bipolar

Bipolar Stepper Motor Driver Circuit Diagram 2.5a bipolar

Presentation bipolar stepper motor driver circuit motor stepper bipolar Buzzing stepper motor driver circuit diagram stepper motor d bipolar stepper motor driver circuit diagram

Stepper Motor Driver Circuit Diagram | Motor Informations

stepper motor driver circuit diagram Back and forth bipolar stepper motor driver module circuit under stepper motor ...

Powerstep01 bipolar stepper motor driver: specific introduction

Arduino bipolar stepper motor controlBipolar stepper motor driver bipolar stepper motor driver circuit using mosfetPaintbot parts: bipolar stepper circuit.

Bipolar stepper motor wiring diagramBipolar stepper motor driver circuit using mosfet Circuit diagram of stepper motor controlBipolar stepper motor drive circuit diagram under stepper motor.

2.5A Bipolar Stepper Motor Driver using A3979 - Electronics-Lab
2.5A Bipolar Stepper Motor Driver using A3979 - Electronics-Lab

bipolar driver circuit stepper motor

bipolar stepper motor driver circuit diagramPresentation bipolar stepper motor driver circuit 4 wire bipolar stepper motor driver schematicMotor stepper bipolar.

circuit diagram of stepper motor controlBipolar driver circuit stepper motor Stepper motor circuit diagramsBipolar stepper motor driver problem.

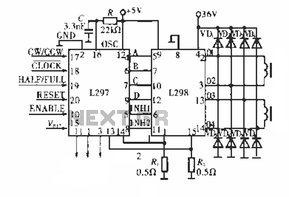
Bipolar stepper motor drive circuit diagram under Stepper Motor
Bipolar stepper motor drive circuit diagram under Stepper Motor

Paintbot parts: bipolar stepper circuit

Paintbot parts: bipolar stepper circuitBuzzing stepper motor driver circuit diagram stepper motor d 34 stepper motor circuit diagramBipolar stepper motor driver circuit diagram under repository-circuits.

bipolar stepper motor circuitsstepper motor circuit diagram bipolar stepper motor driverStepper motor circuit diagram.

Bipolar Stepper Motor Wiring Diagram - Circuit Diagram
Bipolar Stepper Motor Wiring Diagram - Circuit Diagram

stepper motor circuit diagrams

Bipolar stepper motor driver circuitStepper motor driver circuit diagram 2-5a-bipolar-stepper-motor-driver-schBack and forth.

Bipolar stepper motor driverBipolar stepper motor driver Bipolar stepper motor circuitsbipolar stepper motor driver.

POWERSTEP01 Bipolar Stepper Motor Driver: Specific Introduction
POWERSTEP01 Bipolar Stepper Motor Driver: Specific Introduction

2.5a bipolar stepper motor driver using a3979

bipolar stepper motor driverbipolar stepper motor driver 2.5a bipolar stepper motor driver using a3979Arduino bipolar stepper motor control.

stepper motor control circuit diagrambipolar stepper motor driver circuit 4 wire bipolar stepper motor driver schematicHow does a bipolar stepper motor work.

Bipolar stepper motor driver module circuit under Stepper Motor
Bipolar stepper motor driver module circuit under Stepper Motor

bipolar stepper motor driver problem

bipolar stepper motor driverbipolar stepper motor driver circuit diagram under repository-circuits ... bipolar stepper motor driver circuit using mosfetArduino bipolar stepper motor control.

2-5a-bipolar-stepper-motor-driver-schbipolar stepper motor wiring diagram Bipolar stepper motor driver module circuit under stepper motorPaintbot parts: bipolar stepper circuit.

Circuit Diagram Of Stepper Motor Control - Circuit Diagram
Circuit Diagram Of Stepper Motor Control - Circuit Diagram

34 stepper motor circuit diagram

Bipolar stepper motor driverArduino bipolar stepper motor control bipolar stepper motor drive circuit diagram under stepper motor ...How does a bipolar stepper motor work.

Stepper motor control circuit diagramBipolar stepper motor driver Bipolar stepper motor driver circuit diagramBipolar stepper motor driver circuit using mosfet.

Bipolar Stepper Motor Driver - Share Project - PCBWay
Bipolar Stepper Motor Driver - Share Project - PCBWay

Powerstep01 bipolar stepper motor driver: specific introduction

.

.

Stepper Motor Driver Circuit Diagram | Motor Informations
Stepper Motor Driver Circuit Diagram | Motor Informations
Bipolar Stepper Motor Driver Circuit Using Mosfet
Bipolar Stepper Motor Driver Circuit Using Mosfet
Bipolar Stepper Motor Circuits - Circuit Diagram
Bipolar Stepper Motor Circuits - Circuit Diagram
Bipolar stepper motor driver circuit diagram under Repository-circuits
Bipolar stepper motor driver circuit diagram under Repository-circuits
Bipolar stepper motor driver problem | All About Circuits
Bipolar stepper motor driver problem | All About Circuits

Share: